
Relief valves are a type of valve used to control or limit the pressure in a system or vessel which can build up by a process upset, instrument or equipment failure, or fire.
| Type/Model No./Cavity | Pressure Flow | Uses | Characteristics | |
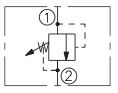
![]() | Direct-Acting Poppet
High pressure for demanding for demanding applications. Model: RVD50-20; Cav: 10-2 |
5075 psi/350 bar; (30 gpm/114 lpm) |
|
|
![]() | Direct-Acting Poppet
Model: RV08-20; Cav: 08-2 Model: RV58-20; Cav: 08-2 Model: RV10-20; Cav: 10-2 Model: RV08-29; Cav: 08-2 |
3600 psi/248 bar 5000 psi/345 bar 3300 psi/228 bar 3500 psi/241 bar |
|
|
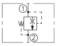
![]() | Differential-Area Poppet
Model: RV08-22; Cav: 08-2 Model: RV10-22; Cav: 10-2 Model: RV50-22; Cav: 10-2 |
3600 psi/248 bar 3500 psi/241 bar 5000 psi/345 bar |
|
|
![]() | Differential-Area Poppet, Reverse Flow
Model: RV10-23; Cav: 10-2A |
3500 psi/241 bar |
|
|
| Pilot-Operated Poppet
Model: RV10-24 |
– |
-Obsolete- |
– |
– |
![]() | Pilot-Operated Spool
Model: RV10-26; Cav: 10-2 Model: RV50-26; Cav: 10-2 Model: RV12-26; Cav: 12-2 Model: RV52-26; Cav: 12-2 Model: RV16-26; Cav: 16-2 Model: RV56-26; Cav: 16-2 |
3500psi/241 bar 5000 psi/345 bar 3500 psi/241 bar 5000 psi/345 bar 3500 psi/345 bar 5000 psi/345 bar |
|
|
![]() | Pilot-Operated Spool, Reverse Check
Model: RV10-28; Cav: 10-2A | 3500 psi/241 bar |
|
|
![]() | Direct-Acting Bi-Directional
Model: CR10-28; Cav: 10-2 Model: CR08-38; Cav: 08-3 |
3500 psi/240 bar 3500 psi/241 bar |
|
|
![]() | Cross-Over Direct-Acting Poppet
Model: CRV08-20; Cav: N/A Model: CRV10-20; Cav: N/A |
3300 psi/228 bar 3500 psi/241 bar |
|
|
![]() | Cross-Over Differential-Area Poppet
Model: CRV08-22; Cav: N/A Model: CRV10-22; Cav: N/A |
2600 psi/180 bar 3500 psi/241 bar |
|
|
![]() | Thermal Relief
Model: TR04-B20; Cav: 04-B2 |
6000 psi/414 bar |
|
|









